
产品简介:HYG系列固态生物质燃料烘干成大设备,六个系统(热源系统、主机系统、上料系统、收料系统,风机管道系统、电控系统)组成,采取全程封闭运行自动控制,拥有多项中国发明专利,并通过专家鉴定,保证设备产品质量,其技术性能达国际先进水平。除内销外,已远销俄罗斯、加拿大、韩国、越南、老挝、印尼等多个国家。
应用领域:用于农业、畜牧业、建筑业、医药行业、酿造业、食品加工行业等。
适用物料:木屑、甘蔗渣、椰壳、棕榈丝、木片、菌棒、竹屑、果壳类、沙柳等其它可燃废弃物。
性能特点:该设备采用三环滚筒干燥机,实现高温、快速烘干新工艺,较传统干燥机占地面积减小2/3,节能40%,干燥强度提高一倍。
1、烘干系统利用自身产生的一部分产品作燃料,无需额外添加燃料。只需要将被烘干的湿木屑源源不断的加入系统就会有连续的干木屑产生。
2、烘干系统配有专用的木屑旋风喷烧炉(无需司炉工)和自动返料系统(中国发明专利,专利号:201410035358.8带有自动返料的喷烧木屑和燃烧杂木的两用热风炉系统)喷烧炉会根据烘干产品的品质及产量,自动调整燃烧参数的配比来调整喷烧炉的出力同时燃烧炉为模块化结构,无需现场砌筑,安装简单方便,炉子配有超温报警、火焰监测、回火报警、燃料隔离装置,保证了燃烧安全性。
3、烘干系统配有三环滚筒烘干机,并采用了高温快速烘干工艺,增加了烘干强度。提高了热效率,减少了装机容量及占地面积,并保证了产品品质。
4、烘干系统采用模糊控制原理,配有水分在线检测及终水自动控制,不仅很好的保证了产品品质,又大大减少了工人劳动强度。
5、烘干系统采用独特的方法将机内燃烧爆炸的可能性降至最低,并配有自动防火和防爆装置,保证了安全生产。
现场照片:



烘干后的生物质颗粒
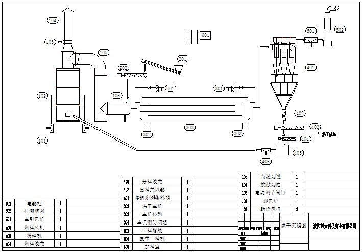
工艺流程图:

工艺流程:木屑通过投料斗进入皮带输送机,等厚度的料流通过加料关风器加入烘干机进料口,在烘干机加料口处和来自热风炉的高温热烟气全面接触并偕同进入多环滚筒烘干机,经过三个行程的质热交换从而完成物料的烘干,烘干后的物料进入多组旋风分离器,干物料通过出料关风器排出,一部分进入压块系统挤压成块,形成成品,另一部分物料进入防堵燃料加料装置,并通过燃料加料风机送入热风炉,在旋风强化燃烧风机的作用下,完成燃烧燃烬并形成高温烟气,用作整个烘干系统的热源。而从旋风收料器出来的尾气,排入大气。